AeT
Agape
Ambella
Ann Sacks
Antonio Lupi
Atlantis Porcelain Art
Bleu Provence
Brizo
CEA
CIPI
Cocoon
Cristal et Bronze
Decorated Bathroom
Delta
Devon Devon
DornBracht
Gentry Home
IB Rubinetterie
ILMA
Imperial Bathrooms
Jandelle
Jorger
Kohler
Kreoo
Labrazel
Lefroy Brooks
Lineatre
Linkasink
Makro
MOMA
MTI Bath
Phylrich
Rifra
Sherle Wagner
Sir Edward Johns
THG
Watermark
Waterworks
Windisch
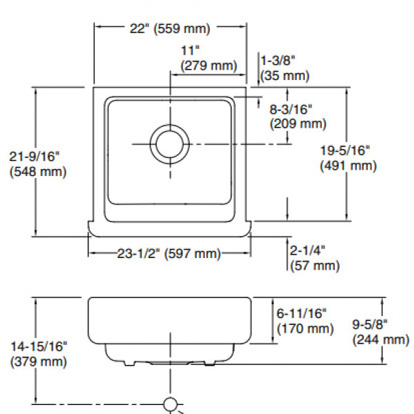
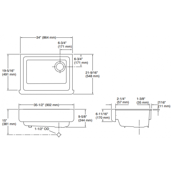
Whitehaven Kohler полу-встраиваемая кухонная мойка из эмалированного чугуна, размер от 60 до 91 см белая В НАЛИЧИИ:
Цена указана за мойку в белом цвете. Донный слив и решетка не включены в стоимость.
Мойка изготовлена из эмалированного чугуна, эмаль мойки отлично сопротивляется царапинам, нагреванию и окрашивание, пищевым кислотам в течение многих лет использования.
Мойки с передним фартуком Whitehaven Kohler - это классическая "фермерская" мойка для кухни (farmhouse sink), которая прошла несколько итераций, прежде чем занять достойное место на наших кухнях.
"Фермерские мойки" стали узнаваемым атрибутом любой американской кухни, выражая наследие американской истории, искусно сочетают в себе современную функциональную эстетику.
Особенности:
Цветные мойки Whitehaven Kohler на заказ (цена и сроки поставки по запросу).
Про-во США.
Цены на сайте не являются официальной офертой. Носят ознакомительный характер.
Политика безопасности и конфиденциальности
Цены на смесители указаны на базовый цвет - хром (если иное не указано в описании товара), другие отделки по запросу.
Цены на санфаянс указаны на базовый цвет - белый (если иное не указано в описании товара), другие отделки по запросу.

Элитная сантехника топовых европейских и американских брендов в наличии и на заказ.
Монтаж, сервисное обслуживание, собственная инженерная служба.












